芸能演艺圈苦瓜网,桃花源qm花论坛(品茶),莫柳青1到5集免费观看
关于我们
关于我们 About us
浙江南腾电气有限公司是一家专业生产高、低压成套开关设备、电缆分支箱、综合配电箱、高压开关、电表箱、变压器的现代化高新技术企业。
公司简介
企业文化
资质荣誉
人才招聘
新闻中心
产品中心
产品中心 Products
南腾电气专业提供高效一体化的智慧安全服务,企业集硬件生产、软件开发,商务支持为一体,及时为客户提供有效的服务及保障。
查看更多产品 >>
透明电表箱
玻璃钢电表箱
国网新标电表箱
玻璃钢电缆分支箱
低压成套开关设备
高压成套开关设备
箱式变电站
解决方案
解决方案 Solution
南腾电气始终坚持创新不动摇,不断满足客户进步需求,确保每个用户,在任何时间、地点都能尽享安全、可靠、智能化电气产品所带来的优质生活保障。
了解更多 >>
风力发电
商用建筑
公共建筑
光伏发电
民用住宅
电信设备
服务中心
服务中心 Service center
不断满足客户进步需求,以最高的效率、最优的价格,提供最安全的电能使用保障。
服务中心
技术支持
在线留言
联系我们
应用案例
应用案例 Applications
产品广泛应用于电气安全、教育医疗、酒店公寓、石油化工、工矿企业、交通运输、市府工程、建筑工程
了解更多 >>
联系我们
联系我们 Contact us
以安全、质量、效率、效益为中心,提升服务改革的能力,为推进国家电力市场的建设助力。
联系我们
EN
English Version
0577-62619833
关于我们
公司简介
企业文化
资质荣誉
人才招聘
新闻中心
产品中心
产品中心
透明电表箱
玻璃钢电表箱
国网新标电表箱
玻璃钢电缆分支箱
低压成套开关设备
高压成套开关设备
箱式变电站
解决方案
风力发电
商用建筑
公共建筑
光伏发电
民用住宅
电信设备
服务中心
服务中心
技术支持
在线留言
联系我们
应用案例
联系我们
联系我们
0577-62619833
产品中心
Product Center
首页
>
产品中心
> ZGS11-Z.T系列光伏双分裂升压发电用箱式变压器
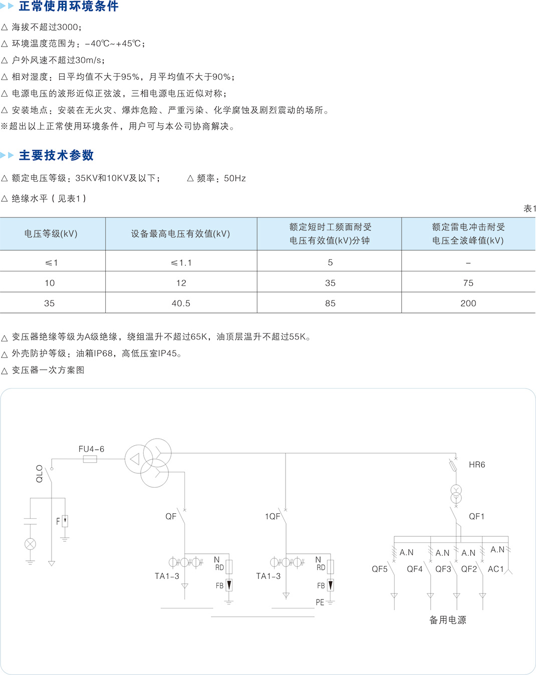
ZGS11-Z.T系列光伏双分裂升压发电用箱式变压器
返回上一页
01
透明电表箱
02
玻璃钢电表箱
03
国网新标电表箱
04
玻璃钢电缆分支箱
05
低压成套开关设备
06
高压成套开关设备
07
箱式变电站
关于我们
产品中心
解决方案
服务中心
应用案例
联系我们
友情链接
浙江南腾电气有限公司
真空炉
温湿度记录仪
塑料隔膜泵
气动隔膜阀
智慧消防
尘埃粒子计数器
大禹纳米环保涂料
清洁度萃取设备
电表箱
塑料电表箱
不锈钢配电箱
手机官网
官方微信
Copyright ? 2010-2025 浙江南腾电气有限公司 版权所有. All Rights Reserved.
浙ICP备12034487号-1
浙公网安备 330382020038761号
易天网络
技术支持
主站蜘蛛池模板:
达拉特旗
|
象州县
|
伊春市
|
保定市
|
福清市
|
土默特右旗
|
廉江市
|
公主岭市
|
佛山市
|
城口县
|
临西县
|
连南
|
积石山
|
大洼县
|
白河县
|
诸城市
|
离岛区
|
武鸣县
|
江山市
|
庆城县
|
弋阳县
|
曲靖市
|
诸暨市
|
沅陵县
|
黄平县
|
贵阳市
|
钟祥市
|
新蔡县
|
岳阳县
|
会同县
|
桐乡市
|
海门市
|
巴楚县
|
双桥区
|
南平市
|
革吉县
|
抚顺县
|
宜昌市
|
栾川县
|
东光县
|
瑞安市
|